个人信息不会泄露给第三方
对于庞大的汽车市场,用户是需要培育的。一种新技术的出现,从工程到普及,短期需要两三年时间,涉及到技术路线的确定,甚至需要长达十多年的铺垫。
圈内最典型的例子是丰田的混动技术,23年前,丰田第一次向外界展示混动技术,短短几个月推出首款量产混动车普锐斯,在三年内收获五万台的销量。丰田的混动技术在接下来的十余年几乎培育了整个日本和欧美市场,人们尤其看重混动技术带来的燃油经济性和驾驶质感的提升。
国内消费群体接触混动的时间靠后,五六年前也基本是从普锐斯开始,到凯美瑞形成一个节点。到现在,丰田几乎规划了每一款车型都将匹配混动的战略。消费者愿意买,就是对一种技术最大的肯定。
丰田,本田已经形成了自己混动家族,在面对全球排放影响时,优先占据市场优势。中国品牌有没有机会?从资金和时间的投入来看,也只有头部的品牌有突围的能力,从结果来看,只有吉利给出了答案。

已经成型的吉利ePro混动家族,由旗下热销的缤越、星越、嘉际、博瑞、帝豪GL升级而来的PHEV混动车型组成,未来还将会继续投入新车型,品类覆盖轿车、SUV、MPV等细分市场。
发展技术路线,说到底是本经济账
吉利主攻的PHEV混动技术,和丰田的HEV技术有一些构造上的区别,但在整体的概念之下,人们对混动已经有了认知,前人栽了树,吉利在这片市场可以有更多的发挥,这是后发优势。
PHEV是插电式混合动力系统,说直白点就是,你可以用油跑,也可以用电跑,也可以指挥它们一起发力,没电了可以充电,没油了可以加油,这样就综合了纯电和燃油两种不同能源形势的优点。HEV技术的电池不能够单独外接充电,所以本质上是以发动机为基础做的附加工作。
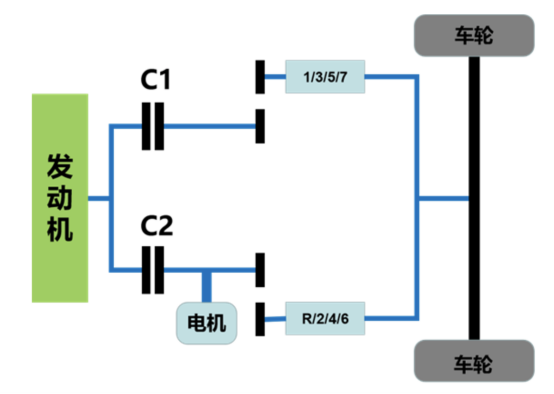
车企在研发混动车时,遇到最大的问题是在哪个位置加入电机。目前比较成熟的摆放方式是P2架构,是将电机放在发动机和变速箱之间。
P2架构的好处是电机和变速箱可以集成到一个模块里,容易装配。并且电机的动力也通过变速箱来输出,可以用变速箱的挡位,电机本身不需要太高的输出扭矩,体积不用太大。但P2结构的缺点是将电机硬塞到发动机和变速箱之间,动力总成的尺寸变大,不适用各种尺寸的车型,比如对于紧凑型车来说,P2架构就不太现实。

P3架构下,电机和变速箱没什么关联,导致电机动力输出不能优化,驾驶舒适性差。好处就是因为不受空间制约,可以放一个大电机。此外还有P4架构,电机直接放在了后轴,主要负责实现后轮驱动。
相比传统的P2、P3结构,吉利的P2.5结构更加复杂,复杂的结构往往能实现更多的功能。简单来说,无论是P2还是P3,电机和变速箱都是分离的,是单独的个体,最后把它们集成到一个模块里,而吉利这套P2.5架构,是把电机集成在变速箱里,是一个完整独立的模块。
相比P2架构,P2.5架构的优点有很多,比如电机的加入并不会增加动力总成的尺寸,并且可以实现电动机的力矩通过变速箱来实现多档位放大,让电动机的合理运行区间更大,而且电机的功率也可以更小。

根据官方给出的数据,吉利这套由欧洲研发中心自主开发的P2.5架构,传动最高效率可达97%,0.6s内就可以实现燃油动力和电驱动力的无缝连接。总之,能够带来更低的油耗。
听上去比较复杂,但并不会对驾驶者造成压力。在ePro混动家族车型上,匹配AI智能能量精算系统,可以借助大数据,结合环境、工况、驾驶员需求等条件,自动选择最优驱动模式,智能调节电池SOC平衡点。
从结果来看,先前发布的缤越ePro车型,百公里综合油耗1.4L,纯油为5.1L。
无论是油、电、混动,还是火热的燃料电池,技术路线的核心说到底是本经济账,国家要算能源成本,主机厂要算研发成本,用户要算使用成本,到最后取一个最优的解。
全车型覆盖:如何做到1+1大于2
目前新能源产品的价格普遍偏高,主要原因集中在电池的成本下不来。30万的车只做出10多万的品质,剩下的费用全都消耗在了电池技术的研发,采购和装备上。以纯电动车为例,如果去掉相关补贴,一辆纯电动车价格将比燃油车高出至少一个级别。
所以技术的应用最成功的展示应该是亲民的价格,如果一部iphone平均售价能低2000元,其他安卓机的市场竞争会更为惨烈。同样的道理,抛去技术成本,一些合资品牌的插电混动车型布局主要集中在20万以上的中高端市场,比如帕萨特PHEV,途观L PHEV,以及丰田卡罗拉和雷凌双擎版等。
相比之下,10万-20万之间的亲民市场有着更大的销量潜力,但细数这个市场的产品却寥寥无几,吉利的混动家族策略,正好填补上了一个空白。
目前吉利ePro混动家族涵盖轿车/SUV/MPV多款车型,包括缤越ePro、嘉际ePro、星越ePro、博瑞ePro以及帝豪GL ePro等。这些车型是由吉利旗下热销的缤越、星越、嘉际、博瑞、帝豪GL等燃油车升级而来的PHEV车型,满足经济、豪华、实用多种用户需求。

重点在定价部分,吉利ePro混动家族是同级唯一做到部分车型“油电同价”的混动产品,以缤越ePro为例,由于成本的优化,车子的价格下探到了13万级区间,而同级别其他品牌PHEV版通常比燃油版贵3-5万元。
定价的优势,将每一台PHEV车型的竞争力拓宽了一个维度,不仅能够主动出击其他品牌新能源产品,同时也对高一两万的纯燃油产品施加了压力。全车型的覆盖,让吉利的燃油产品和混动产品交叉起密集的产品矩阵,定价策略使其实现了1+1大于2的功效。
前两年吉利是中国的大众加丰田,钻研的是模块化、多车型和技术突破,但随着本土化的优势越来越明显,吉利在国内新能源领域的话语权也更加主动。(撰文|CC)
本文转自:天天汽车APP