个人信息不会泄露给第三方
提起混动技术,很多人第一个想到的可能就是丰田或是本田,它们旗下的混动车型均凭借着出色油耗表现在国内市场赢得了一大批的拥簇,而随着国家新能源政策的调整,自主品牌的混动技术也开始走上汽车发展舞台。


12月15日,长城汽正式发布了一项名为“柠檬混动DHT”的技术,这项技术由完全由长城汽车自主研发,他们希望凭借这一项技术打破合资厂商在混动技术上的垄断地位,不过“柠檬DHT”技术究竟有没有那个实力呢?跟随我们今天的文章来一探究竟。
一个系统,两种架构,三套总成
“1-2-3”
首先,小编先来带大家了解一下什么是“柠檬混动DHT”技术。

长城汽车商品战略及技术研发副总裁穆峰讲解“柠檬混动DHT”技术战略

长城汽车技术副总裁宋东先讲解“柠檬混动DHT”技术特点
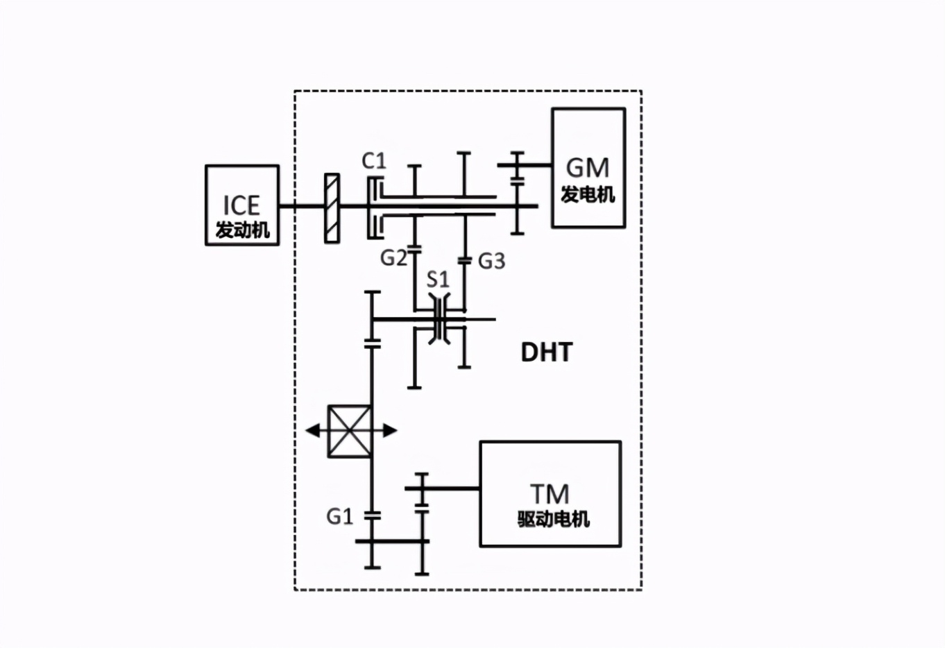
柠檬混动DHT(DHT,Dedicated Hybrid Technology,混合动力专用技术)是一种高度集成的、高效能、多模油电混动系统,同时也是长城汽车混合动力技术路线中的一条核心技术路线。在系统架构上,我们可以用“1-2-3”来描述这套系统,既一个混动系统,两种动力架构,三套动力总成。
一个混动系统
“七合一”高集成度油电混动系统

其中,一个混动系统指的是一套DHT高集成度的油电混动系统,“柠檬混动DHT”技术采用了高集成化的设计,混动总成集1.5L/1.5T混动专用发动机、发电/驱动双电机、定轴式变速箱、双电机控制器、集成DCDC等七大模块与一身。相比于传统的燃油系统总成,高集成化的设计让这套动力系统体积更小,重量更轻,不仅易于整车搭载布置,而且传动效率和NVH性能也得到了明显提升。


双电机混联拓扑结构
同时,整套系统还采用双电机混联拓扑结构,拥有纯电、混联、串联、能量回收等多种工作模式,通过控制系统智能切换,可使车辆实现全速域、全场景下动力与油耗的完美平衡。
两种动力架构
HEV+PHEV

两种动力架构,是在这套油电混动系统的基础上,面对不同的消费需求,衍生出HEV/PHEV两种动力架构。两种架构均由高效率混动燃油发动机、高度集成双电机混动变速箱、高效能混合动力电池三大部分组成。
其中HEV架构主打城区路况超低油耗以及中高速路况瞬时加速能力,采用HEV动力的A级SUV综合油耗低至4.6L/100km;而PHEV架构则具有纯电续航达200km的行业最高表现。

以搭载柠檬混动DHT HEV架构的B级SUV为例,对比同级别竞品:市区油耗低至5.0L/100km,同级竞品平均在5.6-5.7L/100km;高速工况油耗低至6.5L/100km, 同级竞品均在7.1L/100km以上;另外,相比于燃油产品,车辆的0-100km/h加速时间也能够大幅缩短1.5s,仅为7.5s,实现了油耗与动力的双双取胜。
三套动力总成
1.5L+1.5T+1.5T插混

在上述的两种动力架构下,柠檬DHT还拥有三套不同动力总成,系统总功率从140kW到320kW不等,分别对应不同级别产品。


其中HEV架构提供了1.5L发动机+DHT100(100kW高集成混动变速箱)和1.5T发动机+DHT130(130kW高集成混动变速箱)两种动力架构,混动系统总功率在140-240kW之间。而PHEV架构下的车型则将搭载1.5T发动机+DHT130+P4(高性能P4电驱动后桥)的动力总成,系统总功率可达320kW。值得一提的是,三套动力的综合效率最高均可达到50%以上(动力系统综合效率=动力系统总驱动能量/动力系统消耗燃料热值)。

得益于长城汽车在电池三电技术上的多年积累,HEV车型均将搭载高功率低内阻电芯,电池电量1.76kW,放电功率为70.9kW,而PHEV车型则将采用高能量密度/低内阻电芯,电量最高可达45kWh,是全球最大电量的PHEV电池,这也使得长城PHEV车型的纯电续驶里程大于200km。
混动肯定要和“两田”的技术比一比
柠檬混动DHT对比丰田、本田
目前混动市场有功率分流(电机调速、转速耦合)、单速混动(刚性耦合)、串联增程以及油电分动等几种混动策略产品,柠檬混动DHT为双速混动。其中,前三者代表产品均偏重系统经济表现,但功率分流与单速混动策略动力性有所不足,串联增程式动力性能完全取决于电机功率。柠檬混动DHT拥有更多高效直驱挡,且控制策略更复杂精细,无论是性能还是经济性均有很好表现。

“柠檬混动DHT”核心零部件——高集成混动DHT变速器
总体来说长城的HEV技术介于丰田和本田二者之间:相比丰田,长城采用定轴齿轮系,没有动力分割装置,结构更为简单,而丰田THS的动力分割装置无论是结构是控制,比较复杂;相比本田,长城发动机直驱范围更大且有两个挡位。而前者只是在高速巡航时采用发动机直驱模式。
值得一提的是,长城的混动系统还引入了不少主流技术,比如混动发动机具备高压缩比、阿特金森循环、EGR、电子水泵等;而电机也采用了发卡绕组等主流工艺技术,其中发卡绕组技术可以有效提升车辆电机的功率,实现紧凑化和减重,该技术目前普遍运用于丰田、本田的电气化车型上,已经成为了新技术的趋势。实际从数据上来看,长城的混动技术已经和“两田”十分接近了,不过目前我们还没有体验到实车,因此它综合素质还有待后续的考量。
会有哪些车型会搭载这项技术呢?

第三代哈弗H6实拍
因为新混动技术被称为“柠檬混动DHT技术”,所以我们也不难理解,未来只要是出自柠檬平台的产品都可以配备这项技术。比如一直霸占国内SUV市场销量排行榜榜首的哈弗H6,再比如最近大火的哈弗大狗以及哈弗初恋,它们都有希望推出一款混动版的车型,不过参考丰田、本田的做法来看,混动车型的售价肯定也要比普通燃油版车型高上不少。
写在最后
实际上,早在两三年前,长城汽车就已布局这项混动技术。“柠檬混动DHT”更与近期发布的《节能与新能源汽车技术路线图2.0》所强调的“加大混动投入,扩大混动市场”高度契合。“柠檬混动DHT”由长城汽车完全独立自主设计、研发,并具备完全自主知识产权,累计拥有专利199项,其中核心专利80项。它的发布也树立了中国混动技术新的风向标,相信在不久的未来还会有更多的自主品牌推出自家的混动技术,总而言之,长城汽车做到的是一个表率作用,三十年栉风沐雨、砥砺前行,长城汽车也将始终坚持以技术引领品牌,以创新驱动发展。
本文转自:有车CLUB